Print current pageProduct Description
- brief introduction
- technical parameter
- Product size
Application
DW17 series conventional circuit breaker (hereinafterreferred to as circuit breaker) is featured with compactstructure, small volume, light weight, strong systematicness,favorable interchangeability of components, completeprotection functions, high technical economical index,convenient maintenance, easy operation, etc.
This circuit breaker is applicable to circuits of 50Hzwith rated working voltage up to 660V, used for powerdistribution and infrequent switching of circuits; it protectsthe circuitry and electric equipment against overload,under-voltage or short-circuit, it also has function ofgrading selective protection; it is able to start the motordirectly, and protect the motor, generator and rectifierunit against overload, short-circuit, under-voltage orother abnormal conditions.
Technical performances of circuit breaker are inaccordance with the standards IEC60947-2 andGB14048.2.
Normal working condition and mounting conditions
Ambient temperature: -5℃ ~ 40℃, daily average over 35℃
Altitude not more than 2000m;
Ambient conditions: relative humidity not more than 50% at 40, if lower temperature humidity can be higher, on the month when maxi average humidity occurs the Temperature shall be not more than 25℃, on this month the maxi average humidity shall not more ?than 90%, and there has considered the mist covering the product
Polluted class: 3 grade
Installation class: 3 grade
Mounting conditions: the mounting inclined angle shall not more than +5°Impact vibration: there shall have no severe vibration, impact and vibration.
Model

Main Technical Data

Specification

Wiring Diagram And Outline Drawing
Terminal location of control circuit for breaker


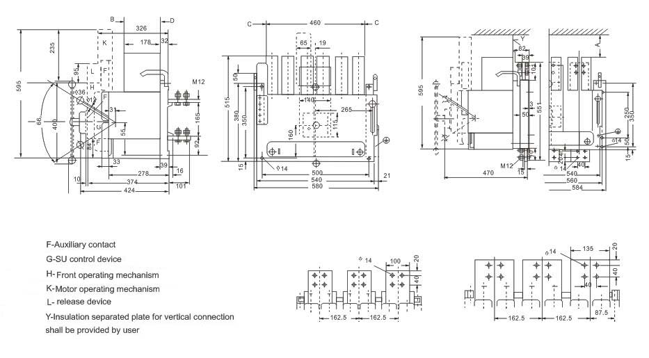
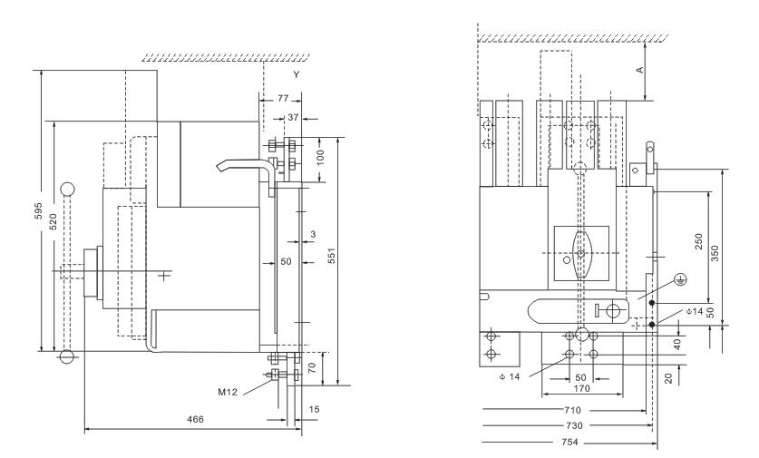
DW17-630/800/1000/1250/1600/1605 fixed type circuit breaker size
1.Horizontal wire connect

2. Vertical wire connect

3. Size of terminal

DW17-2000/2500/2505 fixed type circuit breaker size

DW17-3200/3205 fixed type circuit breaker size
1.Horizontal wire connect

2. Vertical wire connect


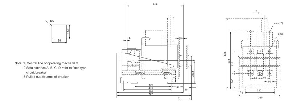
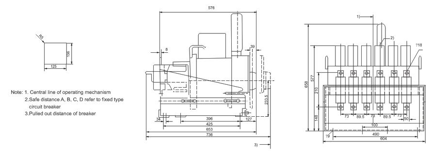
DW17-630/800/1000/1250/1600 drawer type circuit breaker size

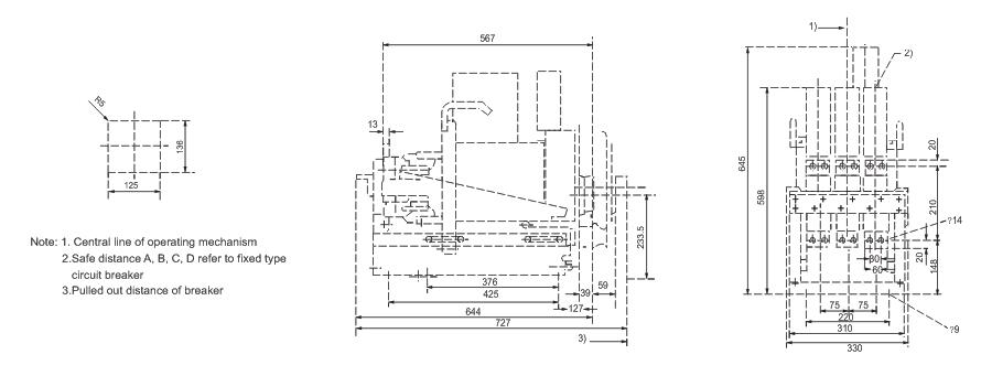
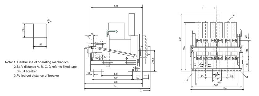
DW17-1605 drawer type circuit breaker size

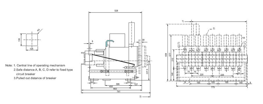
DW17-2000/2500 drawer type circuit breaker size

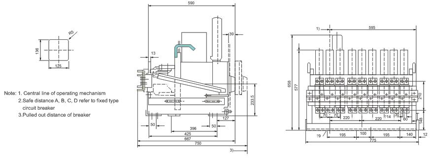
DW17-2505 drawer type circuit breaker size

DW17-3200 drawer type circuit breaker size

DW17-3205 drawer type circuit breaker size

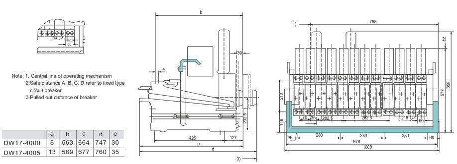
DW17-4000/4005 drawer type circuit breaker size


中文
ENGLISH
Email:
website:
Service hotline





