Print current pageProduct Description
- brief introduction
- technical parameter
- Product size
Application
The ZML7 series miniature circuit breaker is applicable to the circuit an alternating current of 50Hz, rated voltage of 230/400V, and rated current up to63Aforoverload protection and short circuit protection and also for not-frequent operational transformation in the circuit under normal condition.This product can be applied to various places such as industrial, commercial, and tall buildings, and residential houses. The product meets the standards of GB10963.1, IEC60898-1, Obtained CCC certification.
Normal operating conditions
Ambient air temperature: -5°C~+40°C, the mean value is no greater than +35°C within 24 hours .
Altitude: not higher than 2000m for the installation site.
Model

Main Technical Data

Rated short-circuit breaking capacity

Mechanical and electrical life

Over current protection characteristics (30°C)
Characteristic curve

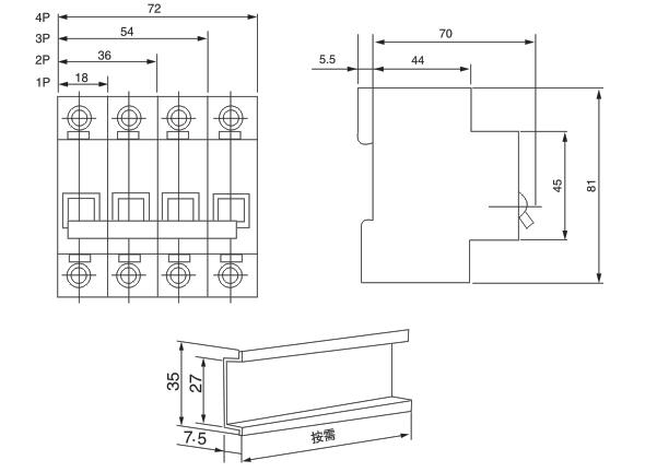
External And Installation Size


中文
ENGLISH
Email:
website:
Service hotline





