Print current pageProduct Description
- brief introduction
- technical parameter
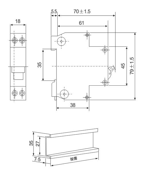
- Product size
Application
The DZ30-32 series miniature circuit breaker is applicable to the circuit an alternating current of 50Hz, rated voltage of 230V, and rated current up to 63A for overload protection and short circuit protection and also for not-frequent operational transformation in the circuit under normal condition.This product can be applied to various places such as industrial, commercial, and tall buildings, and residential houses. The product meets the standards of GB10963.1, IEC60898-1.
Normal operating conditions
Ambient air temperature: -5°C~+40°C, the mean value is no greater than +35°C within 24 hours .
Altitude: not higher than 2000m for the installation site.
Structural features
Small size, compact structure, two poles 1P+N width 18mm, is half width of 2-P DZ47. the price is cheaper than other same productthe shell and some functional parts made of high flameproof, hi-temperature withstand, impact withstand plastic material.The product directly connected with neutral line, to avoid wrong connection and leading to electric shock.rail mounting, easy installation and save time.
Model

Main Technical Data
Specification
Rated current : 6A, 10A, 16A, 20A, 25A, 32A;
Poles: protected poles with a two-pole circuit breakers (1P + N);
Instantaneous release: type C (5In ~ 10In).
Main technical parameters
Time - current operating characteristics (See Table 1);
Circuit capacity: 4500A;
Mechanical and electrical life: 4000;

Wiring: good for connection of leads

Characteristic curve

External And Installation Size


中文
ENGLISH
Email:
website:
Service hotline





