Print current pageProduct Description
- brief introduction
- technical parameter
- Product size
Code and Implication
Three-phase integrated compensation type: Theconnection mode of capacitor is delta connection.?
Single-phase separate compensation type: Theconnection mode of capacitor is star connection.?
? ? ? ??
Functions and features?
Zero-cross-switching:?
The basic working principle of compound switch is introduced as follows: The parallel connection?between thyristor and magnetic latching relay realizes the voltage zero-cross conduction and current?zero-cross switching off, to enable the compound switch to possess advantage of the thyristor zero-cross switching operation at the moment of making and breaking, in normal making period, it has no on-off power consumption. Its methods to realize the current zero-cross cut off are that at the time of?switching off, the thyristor conducts the zero-cross triggering operation at first at the minute of?voltage zero cross, after stabilizing, the magnetic latching relay attracts and conducts, and in switching?off, the magnetic latching relay is cut out first, then the thyristor conducts the time-delay zero-cross?switch-off operation, so as to realize the current zero-cross cut-off operation. ? ??
Voltage phase-failure protection:?
When the system voltage is supplied under phase failure, the switch refuses the closing operation; after?the system is switched on, if the phase failure happens again, the system refuses the switching-on?operation automatically.?
Under-voltage protection:?
When the voltage is 20% of rated voltage or less than (220V), the switch refuels the closing operation;?the self-diagnose fault protection: The system automatically monitors the operation state of thyristor and?magnetic latching relay, if the system has the trouble, it refuses the making operation and exits from the?switch-on operation or conducts the breaking operation. ?
Power failure protection:?
After switching on, if the power is cut off immediately, it will trip and switch off automatically.?
No harmonic wave production:?
At the time of conduction, the thyristor conducts the zero-cross triggering operation, after delaying, the?relay attracts and conducts, therefore, the attraction and conduction of relay can't produce the?harmonic wave.?
Low power consumption:?
Due to using the magnetic latching relay, the control device consumes the power only at the moment of?switching operation, usually, it can't cause any power consumption; and due to the small contact?resistance of magnetic latching relay, it can't produce the heat, thus, it is unnecessary to equip theradiator or fan, to reduce the cost and thoroughly avoid burning the thyristor and damaging other electricappliances running with the system, so as to achieve the aim of saving energy and lowering the consumption.?
Photoelectric isolation between the input signal and compound switch:?
Strong interference resistance and reliable and safe operation.?
The product adopts the advanced intelligent control technology and the latest electronic elements,?
Compared with the similar products, it has ultra-high performance in the respect of inrush current and reliability.?
Main technical indicators
Ambient temperature: -20℃~+65℃;
Relative humidity: 40℃ when, 20%~90%;
Rated voltage: 380V/220V, AC 50Hz;?
Permissible deviation: The synchronous change of three-phase voltage is not more than ±20%;
Degree of distortion is less than 5%;
Rated frequency: 50Hz±5%;
Working power: 220V,50Hz;
Rated current: 45/605A;
Service life: 500,000times;?
Number of phase: Three phases (△-connection) and single phase(Y-connection)
Control capacity: ≤30Kvar at three-phase integrated compensation?
Single-phase separate compensation:≤10Kvar;
Power consumption: ≤1.5VA;
Contact voltage drop: ≤100mV;
Contact withstand voltage: ≥1600V;
Response time: ≤100ms;
Interval of every making and breaking:≥1s; ?
Interval of continuous two makings: ≥60s; ?
Startup voltage: DC 6~24V;
Input impendence: ≥6.8K;
Conduction impendence: ≤0.003Ω。
Installation and wiring methods
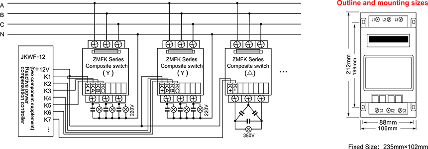
This switch is installed at the 380V three-phase four-wire distribution network, to control the making and breaking operation of low-voltage reactive power compensation?capacitor. User can install it in the low-voltage reactive compensation capacitor box, box type transformer or other proper positions. In general, it adopts the hung-type?installation, please refer to the following outline dimensions.


中文
ENGLISH
Email:
website:
Service hotline





